电动输油泵
您想了解这款产品?
致电我们:0710-2399792
在线咨询


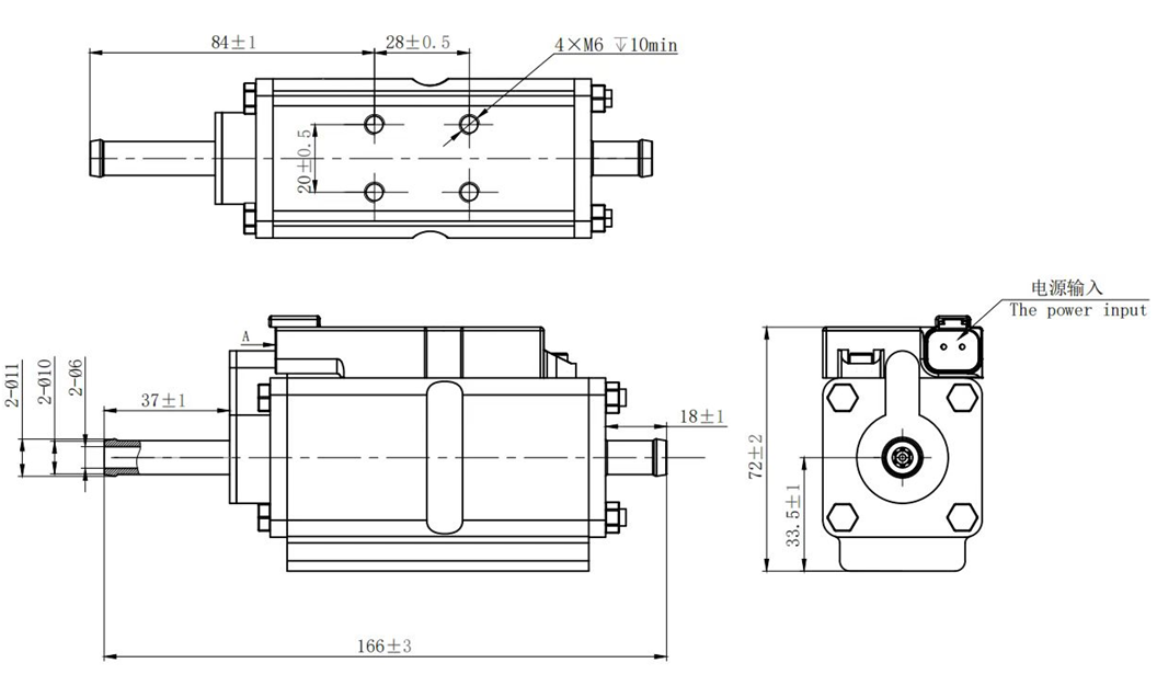
电动输油泵具备轻量化、体积小的特点,可灵活安装于发动机或整车的各个位置
具有泵油排气的功能,用于柴油机低压燃油供给系统,确保低压油路的燃油流动畅通
作为国内无刷电子燃油泵细分市场的“领头羊”,赛恩斯科技自主研发的同系列产品“轻量化电子燃油泵总成”曾获“2019年中国科技创新发明成果奖”
与传统燃油泵相比,其能耗降低30%,使用寿命延长50%,不仅助力整车企业降本增效,更让终端用户享受到更低的维护成本与更稳定的性能体验
公司有专业的技术研发团队,可根据客户要求进行产品定制,定制的主要内容包括但不限于产品外观、材料、电压流量压力、外部接口等
选型指南
根据车辆类型:
- 乘用车/轻型车 → 优先选择 内置式无刷泵,噪音低、寿命长。
- 重型卡车、工程机械、农业机械 → 选用 外置式大流量泵,维护方便,耐用性强。
- 船舶、发电机组 → 推荐 长时间运行型高压泵,保障稳定供油。
根据燃油类型选择
- 柴油 → 选用 带预热/防蜡化功能的泵,保证低温环境下流动性。
- 汽油/甲醇等替代燃料 → 确认 材料耐腐蚀性 与燃料兼容。
根据性能要求选择
- 一般输送需求 → 有刷泵即可,性价比高。
- 高可靠性、智能化控制需求 → 建议无刷泵,支持 CAN/LIN/ECU 接口,适配智能控制系统。
为什么选择我们?
1. 作为国内无刷电子燃油泵细分市场的“领头羊”,赛恩斯科技自主研发的同系列产品“轻量化电子燃油泵总成”曾获2019年中国科技创新发明成果奖。与传统燃油泵相比,其能耗降低30%,使用寿命延长50%,不仅助力整车企业降本增效,更让终端用户享受到更低的维护成本与更稳定的性能体验。
2. 公司为韩国、美国等知名企业定制开发的同类产品,已经批产供货,产品远销海内外。
常见问题
用于柴油机低压燃油供给系统的Electric Diesel Fuel Pump在使用方面的有哪些优势体现?
答:电动输油泵具有泵油排气的功能,确保低压油路的燃油流动畅通与传统燃油泵相比,其能耗降低30%,使用寿命延长50%,不仅助力整车企业降本增效,更让终端用户享受到更低的维护成本与更稳定的性能体验。

非道路发动机,柴油机低压燃油供给系统,可灵活安装于发动机或整车的各个位置